Добро пожаловать в

Текущее время: 15 ноя 2025, 18:41

Часовой пояс: UTC + 2 часа




Начать новую тему Ответить на тему  [ Сообщений: 133 ]  На страницу Пред.  1, 2, 3, 4, 5, 6  След.
Автор Сообщение
СообщениеДобавлено: 18 ноя 2013, 14:15 
Не в сети
Водитель с понятиями
Аватар пользователя

Зарегистрирован: 11 ноя 2011, 14:01
Сообщений: 303
авто: сенс
что скажите если попробую сделать из нержавухи крепление, нужно еще?

_________________
+380672552920
ICQ 497976056
http://chesnok-design.livejournal.com/


Вернуться наверх
 Профиль Отправить личное сообщение  
 
СообщениеДобавлено: 18 ноя 2013, 14:36 
Не в сети
Профессионал
Аватар пользователя

Зарегистрирован: 17 янв 2010, 00:41
Сообщений: 3700
Откуда: Днепропетровск
Комплектация: GLi
Объем двигателя: 1.6
Тип кузова: Вагон
Родословная: Японка
amuletum писал(а):
Ок, спасибо, а нет случаем ни у кого скана 1:1 креплений для англичанки? Ато с экзиста 2 недели ждать...

На первой страничке чертежи для англичанок, а на последней для японок.

_________________
93'4A-FE LB GLi Japan Red Wagon
Светодиодное освещение салона и не только.


Вернуться наверх
 Профиль Отправить личное сообщение  
 
СообщениеДобавлено: 18 ноя 2013, 15:07 
Не в сети
Водитель-механик
Аватар пользователя

Зарегистрирован: 15 ноя 2010, 18:08
Сообщений: 806
Откуда: Апостоловский.Нива-Трудовая
Год выпуска: 1993
Комплектация: GLi
Объем двигателя: 2.0
Тип кузова: Седан
Родословная: Японка
авто: Кариша Е
По чертежам просто сделать.По е...ся пол дня и ни чё не покупая.

_________________
KarinaE 2.0GLI ST191 3S-FE. S-54 JAPAN
93г- изготовл. 95г- продана. Кондёр, круиз-контроль ,борт.комп,седан,.

http://carinae.com.ua/forum/viewtopic.php?f=17&t=1979
https://www.drive2.ru/r/toyota/carina_e/1168277/


Вернуться наверх
 Профиль Отправить личное сообщение  
 
СообщениеДобавлено: 18 ноя 2013, 15:37 
Не в сети
Водитель-механик
Аватар пользователя

Зарегистрирован: 30 июн 2011, 15:36
Сообщений: 652
Откуда: Одесса, пос. Котовского
Год выпуска: 1995
Комплектация: XLi
Объем двигателя: 1.6
Тип кузова: Седан
Родословная: Англичанка
авто: Toyota Carina E
Мне надо :-)

Хотел спросить, а гибку тоже сделаешь?

_________________
Моя Кариша
Мы на DRIVE2.RU
Изображение


Вернуться наверх
 Профиль Отправить личное сообщение  
 
СообщениеДобавлено: 18 ноя 2013, 17:09 
Не в сети
Водитель с понятиями
Аватар пользователя

Зарегистрирован: 11 ноя 2011, 14:01
Сообщений: 303
авто: сенс
гибка составляет трудности?
материал планируется нержавейка 2мм
на англичанку начинаю
ИзображениеИзображение

_________________
+380672552920
ICQ 497976056
http://chesnok-design.livejournal.com/


Вернуться наверх
 Профиль Отправить личное сообщение  
 
СообщениеДобавлено: 18 ноя 2013, 17:21 
Не в сети
Водитель-механик
Аватар пользователя

Зарегистрирован: 30 июн 2011, 15:36
Сообщений: 652
Откуда: Одесса, пос. Котовского
Год выпуска: 1995
Комплектация: XLi
Объем двигателя: 1.6
Тип кузова: Седан
Родословная: Англичанка
авто: Toyota Carina E
:yahoo :sps

_________________
Моя Кариша
Мы на DRIVE2.RU
Изображение


Вернуться наверх
 Профиль Отправить личное сообщение  
 
СообщениеДобавлено: 18 ноя 2013, 17:26 
Не в сети
Профессионал
Аватар пользователя

Зарегистрирован: 17 янв 2010, 00:41
Сообщений: 3700
Откуда: Днепропетровск
Комплектация: GLi
Объем двигателя: 1.6
Тип кузова: Вагон
Родословная: Японка
Учтите оба чертежа расчитаны под магнитолы старого типа - утопленные внутрь.
Для новых магнитол с выносом вперед нужно продублировать крепежные отверстия для самих магнитол с выносом вперед примерно не 8мм - те отверстия которые не попадают на загибающиеся уши.
Когда делал по чертежу пришлось подставлять проставки 8мм иначе магнитола будет утоплена заподлицо с панелью.

_________________
93'4A-FE LB GLi Japan Red Wagon
Светодиодное освещение салона и не только.


Вернуться наверх
 Профиль Отправить личное сообщение  
 
СообщениеДобавлено: 18 ноя 2013, 17:29 
Не в сети
Профессионал
Аватар пользователя

Зарегистрирован: 19 фев 2008, 21:01
Сообщений: 2331
Откуда: Одесса
Год выпуска: 1993
Комплектация: GLi
Объем двигателя: 2.0
Тип кузова: Лифтбек
Родословная: Японка
Medved писал(а):
Когда делал по чертежу пришлось подставлять проставки 8мм иначе магнитола будет утоплена заподлицо с панелью.

+1, магнитола утапливается, и нет возможности рамку магнитолы защелкнуть, тоже подкладывал проставки.

_________________
Карина Е, 2.0 GLI, лифтбэк,1993,красная,Japan, кондиционер


Вернуться наверх
 Профиль Отправить личное сообщение  
 
СообщениеДобавлено: 18 ноя 2013, 17:32 
Не в сети
Профессионал
Аватар пользователя

Зарегистрирован: 05 июл 2009, 08:43
Сообщений: 2126
Откуда: Одесса
Объем двигателя: 2.0
авто: Carina
я на болты крепления магнитолы накрутил гайки типо как шайбы и потом это все в панель вкрутил. но у меня милиметров 5 было утоплено .

_________________
-=Ездит на Rymax //Holland// 10w40 =-


Вернуться наверх
 Профиль Отправить личное сообщение  
 
СообщениеДобавлено: 18 ноя 2013, 18:59 
Не в сети
Профессионал
Аватар пользователя

Зарегистрирован: 28 янв 2010, 10:21
Сообщений: 1595
Откуда: Украина. Киев
Год выпуска: 1996
Комплектация: XLi
Объем двигателя: 1.8
Тип кузова: Лифтбек
Родословная: Англичанка
Medved писал(а):
Учтите оба чертежа расчитаны под магнитолы старого типа - утопленные внутрь.
Для новых магнитол с выносом вперед нужно продублировать крепежные отверстия для самих магнитол с выносом вперед примерно не 8мм - те отверстия которые не попадают на загибающиеся уши.
Когда делал по чертежу пришлось подставлять проставки 8мм иначе магнитола будет утоплена заподлицо с панелью.

+1 Делал крепления с дюралюминия, отверстия переносил. Рамка сидит отлично. :smoke

_________________
Была carina-e GL, 1,6L 4A-FE LB, AT190L-ALMNKW, 1995
Next carina-e XL, 1,6L 4A-FE LB, 1996, МКПП, Английская снаружи, японская внутри
SWAP 7afe STD celica+коробка С57
У Carina E нет года выпуска, есть состояние


Вернуться наверх
 Профиль Отправить личное сообщение  
 
СообщениеДобавлено: 18 ноя 2013, 19:45 
Не в сети
Водитель с понятиями
Аватар пользователя

Зарегистрирован: 21 окт 2011, 20:41
Сообщений: 269
Откуда: Запорожье-Харьков
Год выпуска: 1993
Комплектация: GLi
Объем двигателя: 1.6
Тип кузова: Седан
Родословная: Японка
авто: Carina E 1,6 LB
Нержавейка 2мм.?
На мой взгляд достаточно обычная сталька до 1мм.
Погрунтовать и покрасить в крайнем случае.


Вернуться наверх
 Профиль Отправить личное сообщение  
 
СообщениеДобавлено: 19 ноя 2013, 18:37 
Не в сети
Профессионал
Аватар пользователя

Зарегистрирован: 22 фев 2008, 22:14
Сообщений: 3172
Откуда: Днепропетровская обл.
Год выпуска: 1996
Объем двигателя: 1.6
Тип кузова: Седан
Родословная: Англичанка
vit-zp писал(а):
Нержавейка 2мм.?
На мой взгляд достаточно обычная сталька до 1мм.
Погрунтовать и покрасить в крайнем случае.

100% , 1 мм - выше крыши.

Medved писал(а):
Для новых магнитол с выносом вперед нужно продублировать крепежные отверстия для самих магнитол с выносом вперед примерно не 8мм - те отверстия которые не попадают на загибающиеся уши. Когда делал по чертежу пришлось подставлять проставки 8мм иначе магнитола будет утоплена заподлицо с панелью.

Я когда делал просто изменил чертеж, вымерил , перенес отверстия и вырезал по своему чертежу. Все стало идеально.
Подкладывать 6-8мм шайбочек - бред

_________________
CarinaE 4A-FE LB, С52, Англичанка, 06.95г седан. + HONDA AccordR 2002г.
KONI, полиуретан, IK20TT, ковши STi, POLO 10w40+AP2+МК3, Hella MicroDE.
______________
http://shevchenko-ds.prom.ua


Вернуться наверх
 Профиль Отправить личное сообщение  
 
СообщениеДобавлено: 19 ноя 2013, 19:15 
Не в сети
Водитель с понятиями

Зарегистрирован: 18 сен 2011, 11:41
Сообщений: 353
Dmitry_R писал(а):
Я когда делал просто изменил чертеж, вымерил , перенес отверстия и вырезал по своему чертежу. Все стало идеально.
Подкладывать 6-8мм шайбочек - бред

Сделал точно также.


Вернуться наверх
 Профиль Отправить личное сообщение  
 
СообщениеДобавлено: 22 ноя 2013, 07:14 
Не в сети
Водитель с понятиями
Аватар пользователя

Зарегистрирован: 11 ноя 2011, 14:01
Сообщений: 303
авто: сенс
нужен еще 1 размер
http://radical-foto.ru/fp/5259f7f2f98d4 ... e739c148ff

_________________
+380672552920
ICQ 497976056
http://chesnok-design.livejournal.com/


Вернуться наверх
 Профиль Отправить личное сообщение  
 
СообщениеДобавлено: 22 ноя 2013, 10:10 
Не в сети
Водитель-механик
Аватар пользователя

Зарегистрирован: 30 июн 2011, 15:36
Сообщений: 652
Откуда: Одесса, пос. Котовского
Год выпуска: 1995
Комплектация: XLi
Объем двигателя: 1.6
Тип кузова: Седан
Родословная: Англичанка
авто: Toyota Carina E
Т.е.?

_________________
Моя Кариша
Мы на DRIVE2.RU
Изображение


Вернуться наверх
 Профиль Отправить личное сообщение  
 
СообщениеДобавлено: 22 ноя 2013, 10:12 
Не в сети
Водитель с понятиями
Аватар пользователя

Зарегистрирован: 11 ноя 2011, 14:01
Сообщений: 303
авто: сенс
на чертеже в верхней правой части стоят знаки вопроса, вот там и нужен размер

_________________
+380672552920
ICQ 497976056
http://chesnok-design.livejournal.com/


Вернуться наверх
 Профиль Отправить личное сообщение  
 
СообщениеДобавлено: 22 ноя 2013, 11:39 
Не в сети
Водитель с понятиями
Аватар пользователя

Зарегистрирован: 11 ноя 2011, 14:01
Сообщений: 303
авто: сенс
Изображение
Изображение

_________________
+380672552920
ICQ 497976056
http://chesnok-design.livejournal.com/


Вернуться наверх
 Профиль Отправить личное сообщение  
 
СообщениеДобавлено: 22 ноя 2013, 11:39 
Не в сети
Водитель-механик
Аватар пользователя

Зарегистрирован: 30 июн 2011, 15:36
Сообщений: 652
Откуда: Одесса, пос. Котовского
Год выпуска: 1995
Комплектация: XLi
Объем двигателя: 1.6
Тип кузова: Седан
Родословная: Англичанка
авто: Toyota Carina E
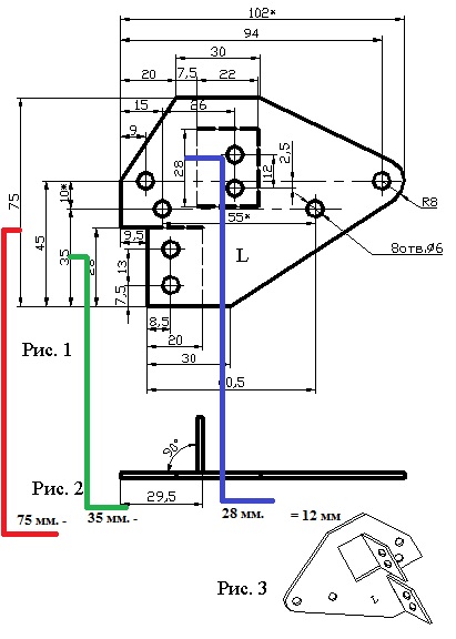
По моим подсчетам - 12 мм.

_________________
Моя Кариша
Мы на DRIVE2.RU
Изображение


Вернуться наверх
 Профиль Отправить личное сообщение  
 
СообщениеДобавлено: 22 ноя 2013, 11:48 
Не в сети
Водитель-механик
Аватар пользователя

Зарегистрирован: 30 июн 2011, 15:36
Сообщений: 652
Откуда: Одесса, пос. Котовского
Год выпуска: 1995
Комплектация: XLi
Объем двигателя: 1.6
Тип кузова: Седан
Родословная: Англичанка
авто: Toyota Carina E
Считал по этому чертежу:

75-35-28 = 12


Вложения:
2.jpg
2.jpg [ 80.95 KIB | Просмотров: 35022 ]

_________________
Моя Кариша
Мы на DRIVE2.RU
Изображение
Вернуться наверх
 Профиль Отправить личное сообщение  
 
СообщениеДобавлено: 22 ноя 2013, 11:59 
Не в сети
Водитель с понятиями
Аватар пользователя

Зарегистрирован: 11 ноя 2011, 14:01
Сообщений: 303
авто: сенс
ок, скоро выложу фото

_________________
+380672552920
ICQ 497976056
http://chesnok-design.livejournal.com/


Вернуться наверх
 Профиль Отправить личное сообщение  
 
СообщениеДобавлено: 22 ноя 2013, 12:10 
Не в сети
Водитель с понятиями
Аватар пользователя

Зарегистрирован: 11 ноя 2011, 14:01
Сообщений: 303
авто: сенс
не пролучается 12мм по ходу....

_________________
+380672552920
ICQ 497976056
http://chesnok-design.livejournal.com/


Вернуться наверх
 Профиль Отправить личное сообщение  
 
СообщениеДобавлено: 22 ноя 2013, 14:23 
Не в сети
Водитель с понятиями
Аватар пользователя

Зарегистрирован: 11 ноя 2011, 14:01
Сообщений: 303
авто: сенс
вот чертежик
http://radical-foto.ru/fp/79eb18672fea4 ... 5593ccd656

_________________
+380672552920
ICQ 497976056
http://chesnok-design.livejournal.com/


Вернуться наверх
 Профиль Отправить личное сообщение  
 
СообщениеДобавлено: 23 ноя 2013, 17:18 
Не в сети
Водитель с понятиями
Аватар пользователя

Зарегистрирован: 11 ноя 2011, 14:01
Сообщений: 303
авто: сенс
готово и уехало на Одессу
Изображение

_________________
+380672552920
ICQ 497976056
http://chesnok-design.livejournal.com/


Вернуться наверх
 Профиль Отправить личное сообщение  
 
СообщениеДобавлено: 23 ноя 2013, 19:01 
Не в сети
Профессионал
Аватар пользователя

Зарегистрирован: 17 окт 2011, 15:46
Сообщений: 1652
Откуда: Харьков
Год выпуска: 1993
Объем двигателя: 1.6
Тип кузова: Седан
Родословная: Японка
авто: carina-e
Sens80 писал(а):
готово и уехало на Одессу
Изображение
и какая цена??

_________________
carina-E 1.6 LB


Вернуться наверх
 Профиль Отправить личное сообщение  
 
СообщениеДобавлено: 24 ноя 2013, 07:46 
Не в сети
Водитель с понятиями
Аватар пользователя

Зарегистрирован: 11 ноя 2011, 14:01
Сообщений: 303
авто: сенс
200

_________________
+380672552920
ICQ 497976056
http://chesnok-design.livejournal.com/


Вернуться наверх
 Профиль Отправить личное сообщение  
 
Показать сообщения за:  Сортировать по:  
Начать новую тему Ответить на тему  [ Сообщений: 133 ]  На страницу Пред.  1, 2, 3, 4, 5, 6  След.

Часовой пояс: UTC + 2 часа


Кто сейчас на форуме

Сейчас этот форум просматривают: нет зарегистрированных пользователей и гости: 6


Вы не можете начинать темы
Вы не можете отвечать на сообщения
Вы не можете редактировать свои сообщения
Вы не можете удалять свои сообщения
Вы не можете добавлять вложения

Найти:
Перейти:  
Создано на основе phpBB® Forum Software © phpBB Group
Русская поддержка phpBB
Курсы валют