Добро пожаловать в

Текущее время: 16 ноя 2025, 13:27

Часовой пояс: UTC + 2 часа




Начать новую тему Ответить на тему  [ Сообщений: 32 ]  На страницу 1, 2  След.
Автор Сообщение
СообщениеДобавлено: 27 июл 2014, 14:41 
Не в сети
Водитель с понятиями
Аватар пользователя

Зарегистрирован: 18 июн 2012, 22:04
Сообщений: 286
Откуда: Одесса
Год выпуска: 1992
Комплектация: GLi
Объем двигателя: 2.0
Тип кузова: Лифтбек
Родословная: Японка
Хочу рабочие ограничители дверей.
Оплачу труд того, кто может изготовить такие 4 шт. и установить на машину.

_________________
TOYOTA Carina E 2.0 GLi, японская сборка (12.1992), лифтбек, 3S-FE мотор, GTi-салон, кондиционер

Изображение


Вернуться наверх
 Профиль Отправить личное сообщение  
 
СообщениеДобавлено: 29 июл 2014, 14:03 
Не в сети
Водитель с понятиями

Зарегистрирован: 19 июн 2013, 14:11
Сообщений: 314
Откуда: Харьков
Год выпуска: 1993
Комплектация: GLi
Объем двигателя: 2.0
Тип кузова: Вагон
Родословная: Японка
авто: carina-e
Aurion писал(а):
Хочу рабочие ограничители дверей.
Оплачу труд того, кто может изготовить такие 4 шт. и установить на машину.

Это чтобы двери не болтались когда их открываешь а чтоб держали "выбранную позицию"?

_________________
3s-fe


Вернуться наверх
 Профиль Отправить личное сообщение  
 
СообщениеДобавлено: 29 июл 2014, 17:00 
Не в сети
Водитель-механик
Аватар пользователя

Зарегистрирован: 30 июн 2011, 15:36
Сообщений: 652
Откуда: Одесса, пос. Котовского
Год выпуска: 1995
Комплектация: XLi
Объем двигателя: 1.6
Тип кузова: Седан
Родословная: Англичанка
авто: Toyota Carina E
Вот тема на ру форуме - Про ограничители дверей

Берешь, кусок капролона или фторопласта (я брал фторопласт) точишь у токаря болванку а потом по размерам стругаешь сухарики :-) У меня болванка уже готова, закончу делать ШВИ возьмусь за ограничители :-)


Вложения:
22.jpg
22.jpg [ 17.78 KIB | Просмотров: 43130 ]
21.jpg
21.jpg [ 67.98 KIB | Просмотров: 43130 ]

_________________
Моя Кариша
Мы на DRIVE2.RU
Изображение
Вернуться наверх
 Профиль Отправить личное сообщение  
 
СообщениеДобавлено: 29 июл 2014, 18:44 
Не в сети
Понимающий водитель
Аватар пользователя

Зарегистрирован: 05 ноя 2013, 21:13
Сообщений: 210
Откуда: Одесса
Год выпуска: 1994
Объем двигателя: 2.0
Тип кузова: Лифтбек
Родословная: Англичанка
авто: Carina E
а что новые не продают?


Вернуться наверх
 Профиль Отправить личное сообщение  
 
СообщениеДобавлено: 29 июл 2014, 18:58 
Не в сети
Водитель с понятиями
Аватар пользователя

Зарегистрирован: 18 июн 2012, 22:04
Сообщений: 286
Откуда: Одесса
Год выпуска: 1992
Комплектация: GLi
Объем двигателя: 2.0
Тип кузова: Лифтбек
Родословная: Японка
Bradyaga писал(а):
а что новые не продают?

700 грн/шт. не хочешь? Новый эксклюзив, так сказать.

_________________
TOYOTA Carina E 2.0 GLi, японская сборка (12.1992), лифтбек, 3S-FE мотор, GTi-салон, кондиционер

Изображение


Вернуться наверх
 Профиль Отправить личное сообщение  
 
СообщениеДобавлено: 29 июл 2014, 21:52 
Не в сети

Зарегистрирован: 24 июн 2010, 18:51
Сообщений: 3
Откуда: Мурманск
Год выпуска: 1995
Объем двигателя: 1.6
Тип кузова: Седан
Родословная: Англичанка
авто: Toyota Carina E
А от таза 9ки переделать? Там работы на час с перекурами.. у меня уже год стоят, пока вроде отлично.. и стоят ограничители копейки


Вернуться наверх
 Профиль Отправить личное сообщение  
 
СообщениеДобавлено: 30 июл 2014, 07:04 
Не в сети
Понимающий водитель
Аватар пользователя

Зарегистрирован: 05 ноя 2013, 21:13
Сообщений: 210
Откуда: Одесса
Год выпуска: 1994
Объем двигателя: 2.0
Тип кузова: Лифтбек
Родословная: Англичанка
авто: Carina E
это ты про передние или задниЕ?


Вернуться наверх
 Профиль Отправить личное сообщение  
 
СообщениеДобавлено: 30 июл 2014, 09:16 
Не в сети
Водитель-механик
Аватар пользователя

Зарегистрирован: 30 июн 2011, 15:36
Сообщений: 652
Откуда: Одесса, пос. Котовского
Год выпуска: 1995
Комплектация: XLi
Объем двигателя: 1.6
Тип кузова: Седан
Родословная: Англичанка
авто: Toyota Carina E
От 9-тки если не ошибаюсь нужно только укоротить металлический штырек и пластмаску? Резинки тоже от девятки берутся, или родные оставляем?

_________________
Моя Кариша
Мы на DRIVE2.RU
Изображение


Вернуться наверх
 Профиль Отправить личное сообщение  
 
СообщениеДобавлено: 30 июл 2014, 09:33 
Не в сети
Водитель с понятиями
Аватар пользователя

Зарегистрирован: 18 июн 2012, 22:04
Сообщений: 286
Откуда: Одесса
Год выпуска: 1992
Комплектация: GLi
Объем двигателя: 2.0
Тип кузова: Лифтбек
Родословная: Японка
Насколько я помню, лучше всего от Матиза брать на переделку.

Кто имеет опыт такой переделки и готов сделать другому за $, пишите.

_________________
TOYOTA Carina E 2.0 GLi, японская сборка (12.1992), лифтбек, 3S-FE мотор, GTi-салон, кондиционер

Изображение


Вернуться наверх
 Профиль Отправить личное сообщение  
 
СообщениеДобавлено: 30 июл 2014, 10:11 
Не в сети
Водитель с понятиями

Зарегистрирован: 19 июн 2013, 14:11
Сообщений: 314
Откуда: Харьков
Год выпуска: 1993
Комплектация: GLi
Объем двигателя: 2.0
Тип кузова: Вагон
Родословная: Японка
авто: carina-e
Aurion писал(а):
Насколько я помню, лучше всего от Матиза брать на переделку.

Кто имеет опыт такой переделки и готов сделать другому за $, пишите.

я тоже готов такое взять себе.

_________________
3s-fe


Вернуться наверх
 Профиль Отправить личное сообщение  
 
СообщениеДобавлено: 30 июл 2014, 18:17 
Не в сети

Зарегистрирован: 24 июн 2010, 18:51
Сообщений: 3
Откуда: Мурманск
Год выпуска: 1995
Объем двигателя: 1.6
Тип кузова: Седан
Родословная: Англичанка
авто: Toyota Carina E
я себе от девятки на перед и на зад поставил.. всю начинку ограничителя таза нужно подпилить, чтоб влезли внутрь родного.. и металлический штырек, и пластмасску, и резинку..

вот тут пару картинок и описание :-) http://carina-e.ru/viewtopic.php?f=22&t ... &start=225


Вернуться наверх
 Профиль Отправить личное сообщение  
 
СообщениеДобавлено: 30 июл 2014, 22:28 
Не в сети
Водитель с понятиями

Зарегистрирован: 19 июн 2013, 14:11
Сообщений: 314
Откуда: Харьков
Год выпуска: 1993
Комплектация: GLi
Объем двигателя: 2.0
Тип кузова: Вагон
Родословная: Японка
авто: carina-e
Судя по общению - на наши передние двери покупаем от Чери Тиго и за 10 мин меняем.

_________________
3s-fe


Вернуться наверх
 Профиль Отправить личное сообщение  
 
СообщениеДобавлено: 31 июл 2014, 10:45 
Не в сети
Водитель с понятиями
Аватар пользователя

Зарегистрирован: 18 июн 2012, 22:04
Сообщений: 286
Откуда: Одесса
Год выпуска: 1992
Комплектация: GLi
Объем двигателя: 2.0
Тип кузова: Лифтбек
Родословная: Японка
А переделки?

_________________
TOYOTA Carina E 2.0 GLi, японская сборка (12.1992), лифтбек, 3S-FE мотор, GTi-салон, кондиционер

Изображение


Вернуться наверх
 Профиль Отправить личное сообщение  
 
СообщениеДобавлено: 18 мар 2019, 09:09 
Не в сети
Водитель-механик
Аватар пользователя

Зарегистрирован: 09 авг 2013, 19:54
Сообщений: 781
Откуда: Бровары Киевская область
Год выпуска: 1996
Комплектация: GLi
Объем двигателя: 1.6
Тип кузова: Седан
Родословная: Англичанка
авто: Toyota Carina E
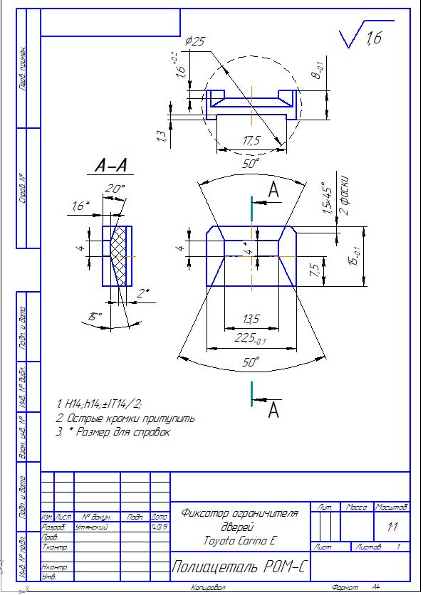
Для тех у кого есть возможность изготовить выкладываю чертеж вставок в фиксаторы ограничителя дверей.
Изготавливались методом фрезеровки
Испытания прошли успешно - держат хорошо во всех положениях.
Материал - полиацеталь


Вложения:
Фиксатор ограничителя двери.JPG
Фиксатор ограничителя двери.JPG [ 93.85 KIB | Просмотров: 37184 ]
1.jpg
1.jpg [ 1.67 MIB | Просмотров: 37184 ]

_________________
Михаил тел:(095)555-40-39
Toyota Carina E V1,6 STD 1996 год
Я рожден в Советском Союзе
Сделан я в СССР
Вернуться наверх
 Профиль Отправить личное сообщение  
 
СообщениеДобавлено: 18 мар 2019, 10:16 
Не в сети
Профессионал
Аватар пользователя

Зарегистрирован: 17 янв 2010, 00:41
Сообщений: 3700
Откуда: Днепропетровск
Комплектация: GLi
Объем двигателя: 1.6
Тип кузова: Вагон
Родословная: Японка
Давненько целюсь эти штуки напечатать.
Могу сделать из копета или нейлона.
Попробую сделать пробники чтоб понять сколько будет стоить в итого.

_________________
93'4A-FE LB GLi Japan Red Wagon
Светодиодное освещение салона и не только.


Вернуться наверх
 Профиль Отправить личное сообщение  
 
СообщениеДобавлено: 18 мар 2019, 11:27 
Не в сети
Водитель-механик
Аватар пользователя

Зарегистрирован: 09 авг 2013, 19:54
Сообщений: 781
Откуда: Бровары Киевская область
Год выпуска: 1996
Комплектация: GLi
Объем двигателя: 1.6
Тип кузова: Седан
Родословная: Англичанка
авто: Toyota Carina E
Medved писал(а):
Могу сделать из копета или нейлона.

Делать надо из материала, который обладает отличными антифрикционными свойствами - лучше полиацеталя(полиформальдегид) я полимеров не встречал

_________________
Михаил тел:(095)555-40-39
Toyota Carina E V1,6 STD 1996 год
Я рожден в Советском Союзе
Сделан я в СССР


Вернуться наверх
 Профиль Отправить личное сообщение  
 
СообщениеДобавлено: 18 мар 2019, 14:18 
Не в сети
Профессионал
Аватар пользователя

Зарегистрирован: 19 фев 2008, 21:01
Сообщений: 2331
Откуда: Одесса
Год выпуска: 1993
Комплектация: GLi
Объем двигателя: 2.0
Тип кузова: Лифтбек
Родословная: Японка
ссылка в тему https://www.drive2.ru/l/526242483923845 ... 1720355546

_________________
Карина Е, 2.0 GLI, лифтбэк,1993,красная,Japan, кондиционер


Вернуться наверх
 Профиль Отправить личное сообщение  
 
СообщениеДобавлено: 18 мар 2019, 14:30 
Не в сети
Профессионал
Аватар пользователя

Зарегистрирован: 17 янв 2010, 00:41
Сообщений: 3700
Откуда: Днепропетровск
Комплектация: GLi
Объем двигателя: 1.6
Тип кузова: Вагон
Родословная: Японка
Печатают пошел по ссылке на производителя там крупное фото вкладышей с явными следами принтера.

_________________
93'4A-FE LB GLi Japan Red Wagon
Светодиодное освещение салона и не только.


Вернуться наверх
 Профиль Отправить личное сообщение  
 
СообщениеДобавлено: 18 мар 2019, 15:02 
Не в сети
Профессионал
Аватар пользователя

Зарегистрирован: 17 янв 2010, 00:41
Сообщений: 3700
Откуда: Днепропетровск
Комплектация: GLi
Объем двигателя: 1.6
Тип кузова: Вагон
Родословная: Японка
Мишаня нужно уточнение разрез А-А угол 20 градусов именно от наружной плоскости или так как второй уклон в 15 градусов от средней плоскости.

_________________
93'4A-FE LB GLi Japan Red Wagon
Светодиодное освещение салона и не только.


Вернуться наверх
 Профиль Отправить личное сообщение  
 
СообщениеДобавлено: 18 мар 2019, 15:59 
Не в сети
Водитель-механик
Аватар пользователя

Зарегистрирован: 09 авг 2013, 19:54
Сообщений: 781
Откуда: Бровары Киевская область
Год выпуска: 1996
Комплектация: GLi
Объем двигателя: 1.6
Тип кузова: Седан
Родословная: Англичанка
авто: Toyota Carina E
Medved писал(а):
Мишаня нужно уточнение разрез А-А угол 20 градусов именно от наружной плоскости или так как второй уклон в 15 градусов от средней плоскости.

Миша,
Так же как второй уклон - угол 20 градусов от средней плоскости

_________________
Михаил тел:(095)555-40-39
Toyota Carina E V1,6 STD 1996 год
Я рожден в Советском Союзе
Сделан я в СССР


Вернуться наверх
 Профиль Отправить личное сообщение  
 
СообщениеДобавлено: 18 мар 2019, 17:44 
Не в сети
Водитель с понятиями

Зарегистрирован: 01 дек 2014, 19:01
Сообщений: 459
Откуда: одесса мама
Год выпуска: 1992
Комплектация: GTi
Объем двигателя: 2.0
Тип кузова: Лифтбек
Родословная: Японка
Эх, Миша! Где ты был неделю назад! Взял на проме вкладыши для ограничителей, материал нейлон, напечатанный на принтере, цена с нп 300 грн. Материал-авно! Так, ещё пришлось размер доробатывать! Срезал ножом рабочую часть, сильно большую сделали.

_________________
4a-fe STD. Седан- была!

Gti 3s-ge. Красный хетчбэк
097-750-64-20
установка и ремонт м/п окон и дверей


Вернуться наверх
 Профиль Отправить личное сообщение  
 
СообщениеДобавлено: 18 мар 2019, 20:12 
Не в сети
Профессионал
Аватар пользователя

Зарегистрирован: 17 янв 2010, 00:41
Сообщений: 3700
Откуда: Днепропетровск
Комплектация: GLi
Объем двигателя: 1.6
Тип кузова: Вагон
Родословная: Японка
Неделю назад я занимался другой хренью и принтер разобрал на апгрейд... и нейлона у меня не было.
Буду скоро пробовать. Модель намалевал спасибо чертежам.

_________________
93'4A-FE LB GLi Japan Red Wagon
Светодиодное освещение салона и не только.


Вернуться наверх
 Профиль Отправить личное сообщение  
 
СообщениеДобавлено: 24 мар 2019, 19:52 
Не в сети
Водитель-механик
Аватар пользователя

Зарегистрирован: 15 ноя 2010, 18:08
Сообщений: 806
Откуда: Апостоловский.Нива-Трудовая
Год выпуска: 1993
Комплектация: GLi
Объем двигателя: 2.0
Тип кузова: Седан
Родословная: Японка
авто: Кариша Е
https://www.drive2.ru/l/526242483923845843/
http://3d-sm.com/index.php?route=produc ... uct_id=228
Уже в продаже

_________________
KarinaE 2.0GLI ST191 3S-FE. S-54 JAPAN
93г- изготовл. 95г- продана. Кондёр, круиз-контроль ,борт.комп,седан,.

http://carinae.com.ua/forum/viewtopic.php?f=17&t=1979
https://www.drive2.ru/r/toyota/carina_e/1168277/


Вернуться наверх
 Профиль Отправить личное сообщение  
 
СообщениеДобавлено: 28 мар 2019, 14:44 
Не в сети
Профессионал
Аватар пользователя

Зарегистрирован: 17 янв 2010, 00:41
Сообщений: 3700
Откуда: Днепропетровск
Комплектация: GLi
Объем двигателя: 1.6
Тип кузова: Вагон
Родословная: Японка
Напечатал пробники, по чертежу

КТО ВОЗЬМЁТСЯ ТЕСТИРОВАТЬ ???

У меня просто нет времени вскрыть хоть одну дверь и их установить.
И нужен независимый взгляд и оценка
Тестер получает комплект на 2 двери на ШАРУ из нейлона.

Если нравятся то ценовой ориентир для клуба 60 гривен за комплект на 4 двери из нейлона.

Вечером скину сюда фото.

_________________
93'4A-FE LB GLi Japan Red Wagon
Светодиодное освещение салона и не только.


Вернуться наверх
 Профиль Отправить личное сообщение  
 
СообщениеДобавлено: 28 мар 2019, 19:59 
Не в сети
Профессионал
Аватар пользователя

Зарегистрирован: 17 янв 2010, 00:41
Сообщений: 3700
Откуда: Днепропетровск
Комплектация: GLi
Объем двигателя: 1.6
Тип кузова: Вагон
Родословная: Японка
После обеспечения клуба будет увеличение цены и переход на драйв.


Вложения:
IMG_20190328_134450.jpg
IMG_20190328_134450.jpg [ 74.83 KIB | Просмотров: 36894 ]

_________________
93'4A-FE LB GLi Japan Red Wagon
Светодиодное освещение салона и не только.
Вернуться наверх
 Профиль Отправить личное сообщение  
 
Показать сообщения за:  Сортировать по:  
Начать новую тему Ответить на тему  [ Сообщений: 32 ]  На страницу 1, 2  След.

Часовой пояс: UTC + 2 часа


Кто сейчас на форуме

Сейчас этот форум просматривают: нет зарегистрированных пользователей и гости: 12


Вы не можете начинать темы
Вы не можете отвечать на сообщения
Вы не можете редактировать свои сообщения
Вы не можете удалять свои сообщения
Вы не можете добавлять вложения

Найти:
Перейти:  
cron
Создано на основе phpBB® Forum Software © phpBB Group
Русская поддержка phpBB
Курсы валют